air conditioner relay switch

air conditioner relay switch

The Air Conditioner Relay Change: A Very important Element for Optimum Cooling

Introduction

Greetings, readers! Are you aware the key behind a functioning air con system? Properly, it is not simply in regards to the cool air it produces but in addition in regards to the important element that makes all of it occur: the air conditioner relay change. On this article, we’re diving into the world of relay switches, exploring their position, varieties, and the right way to troubleshoot them. So, buckle up and let’s get cool!

Air Conditioner Relay Change: The Powerhouse Behind Cooling

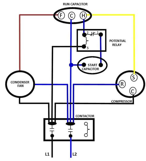
An air conditioner relay change is a vital electrical element that controls the movement of energy to the compressor, the center of your cooling system. It acts as a gatekeeper, permitting electrical energy to achieve the compressor when wanted and stopping it from overheating. With no correctly functioning relay change, your air conditioner will battle to chill effectively, leaving you with a sweltering indoor atmosphere.

Varieties of Air Conditioner Relay Switches

There are two primary sorts of air conditioner relay switches:

  • Magnetic Contactors: These switches use an electromagnet to open and shut contacts, permitting energy to movement to the compressor. They’re usually utilized in bigger business and industrial AC models.
  • Stable-State Relays: These switches use digital elements to manage the movement of electrical energy. They’re smaller, extra energy-efficient, and have an extended lifespan than magnetic contactors.

Sustaining Your Air Conditioner Relay Change

Similar to some other electrical element, air conditioner relay switches require upkeep to make sure optimum efficiency. Listed here are some suggestions:

  • Common Inspections: Commonly examine the relay change for any indicators of harm, corrosion, or unfastened connections.
  • Exchange Ageing Switches: Over time, relay switches can put on out and grow to be much less dependable. In case your AC unit is experiencing frequent issues, think about changing the relay change.
  • Skilled Upkeep: For optimum efficiency and longevity, it is really useful to have your air conditioner professionally serviced by a professional HVAC technician yearly or two.

Troubleshooting Air Conditioner Relay Change

In case you suspect a problem along with your air conditioner relay change, comply with these troubleshooting steps:

Checking for Energy

  • Use a voltmeter to verify for voltage on the enter and output terminals of the relay change.
  • If there is not any energy on the enter terminals, verify the circuit breaker or fuse for the AC unit.
  • If there is not any energy on the output terminals, the relay change could also be defective.

Manually Working the Change

  • Flip off the facility to the AC unit.
  • Find the relay change and manually function the contacts by urgent on them.
  • If the compressor begins operating, the relay change is probably going defective and must be changed.

Air Conditioner Relay Change Varieties and Specs

Relay Change Kind Present Ranking (Amps) Voltage Ranking (VAC) Coil Voltage (VAC)
Magnetic Contactor 10-60 120-240 24
Stable-State Relay 10-25 120-240 12-32

Conclusion

The air conditioner relay change is an important element that ensures the graceful operation of your cooling system. Understanding its significance and understanding the right way to troubleshoot it could possibly assist you keep a snug indoor atmosphere. In case you encounter any issues along with your AC unit, do not hesitate to seek the advice of a professional HVAC technician for help. And bear in mind, we’ve got extra informative articles on air conditioners and different house home equipment, so be sure you verify them out!

FAQ About Air Conditioner Relay Change

What’s an air conditioner relay change?

An air conditioner relay change is {an electrical} machine that controls the movement of electrical energy to the air conditioner’s compressor.

What are the signs of a nasty air conditioner relay change?

Signs of a nasty air conditioner relay change embrace:

  • Air conditioner not cooling
  • Air conditioner making a clicking noise
  • Air conditioner blowing heat air

What causes an air conditioner relay change to go unhealthy?

Air conditioner relay switches can go unhealthy for quite a lot of causes, together with:

  • Overheating
  • Electrical surges
  • Put on and tear

How do I take a look at an air conditioner relay change?

To check an air conditioner relay change, you have to a multimeter. Set the multimeter to the ohms setting and contact the probes to the terminals of the relay change. If the relay change is sweet, the multimeter will learn 0 ohms.

How do I change an air conditioner relay change?

Changing an air conditioner relay change is a comparatively easy course of. First, flip off the facility to the air conditioner on the circuit breaker. Then, take away the entry panel to the air conditioner’s electrical elements. Find the relay change and disconnect the wires from it. Lastly, set up the brand new relay change and join the wires to it.

How a lot does it price to switch an air conditioner relay change?

The associated fee to switch an air conditioner relay change will range relying on the make and mannequin of your air conditioner. Nonetheless, you’ll be able to count on to pay between $50 and $150 for the half and labor.

Can I change an air conditioner relay change myself?

Sure, you’ll be able to change an air conditioner relay change your self in case you are snug working with electrical elements. Nonetheless, in case you are not snug working with electrical elements, it’s best to rent a professional electrician to do the job.

How usually ought to I change my air conditioner relay change?

Air conditioner relay switches would not have a particular lifespan, however they need to get replaced in the event that they begin to present indicators of damage or harm.

What are some suggestions for stopping my air conditioner relay change from going unhealthy?

Listed here are some suggestions for stopping your air conditioner relay change from going unhealthy:

  • Hold your air conditioner clear and freed from particles.
  • Keep away from overloading your air conditioner.
  • Have your air conditioner serviced by a professional technician repeatedly.

What’s the guarantee on an air conditioner relay change?

The guarantee on an air conditioner relay change will range relying on the producer. Nonetheless, most producers supply a guaranty of at the very least one 12 months.